Imagen de noviembre de 2025
Explora la espectacular imagen del mes de noviembre y descubre temas y recursos relacionados.
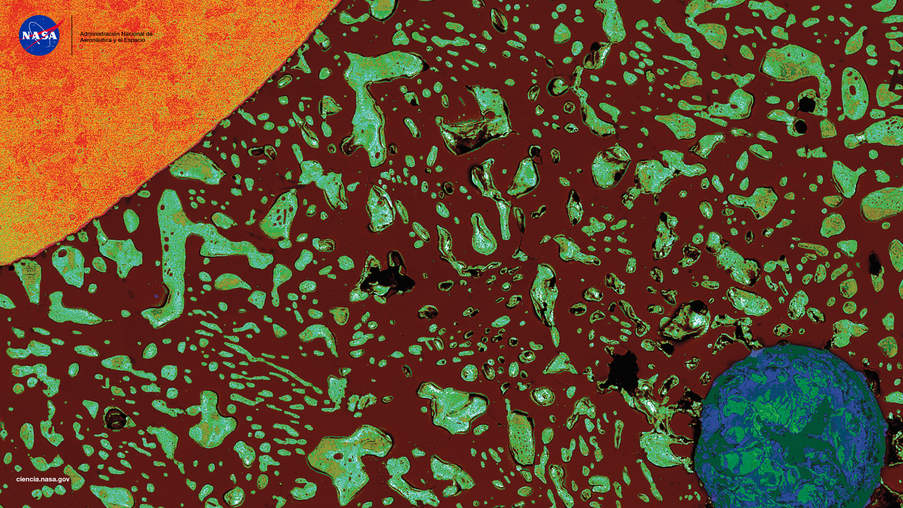
Paralelismo del sistema solar en un cordón de soldadura
-
La soldadura es un paso de fabricación esencial para unir conductores eléctricos. Conlleva fusionar y solidificar materiales, lo que puede hacer que el material tenga huecos y se encoja durante el proceso. Para mejorar el proceso de soldadura en la Tierra —y permitir reparaciones y manufactura en el espacio profundo— los investigadores llevaron a cabo experimentos a bordo de la Estación Espacial Internacional. Se fabricaron perlas de soldadura solidificadas a bordo de la estación en un entorno de microgravedad y se enviaron de vuelta a la Tierra para su investigación, donde los científicos cortaron, pulieron y fotografiaron las muestras bajo un microscopio. Esta fotografía muestra un cable de cobre (naranja, arriba a la izquierda) y vacío (círculo azul verdoso, abajo a la derecha) rodeados de material de soldadura de color marrón oscuro y azul verdoso, que se asemeja al sistema solar, con el cable como Sol y el vacío como la Tierra.
Crédito de la imagen y el texto: Universidad Estatal de Iowa/Manish Kumar y Siddhartha Pathak
Descubre temas relacionados

Soluciones de la estación espacial para misiones de Artemis a la Luna y más allá
Los experimentos a bordo de la Estación Espacial Internacional nos están ayudando a sentar las bases para las misiones de la campaña Artemis.

Quince maneras en que la Estación Espacial Internacional beneficia a la humanidad en la Tierra
Con 25 años de experimentos realizados en la estación, se están materializando más avances que nunca.

Mejores imágenes de Ciencia en la estación espacial 2024
Disfruta de esta galería de imágenes de algunos de los experimentos llevados a cabo en 2024 por los miembros de la tripulación de la estación espacial.

¿Cómo se investiga en microgravedad?
Aprende cómo los investigadores adaptan sus experimentos e instrumentos para que funcionen adecuadamente en el entorno de microgravedad de la estación espacial.

¿Por qué es importante la investigación fundamental en el espacio?
Hacer experimentos en el espacio permite a los científicos observar cómo se comportan los fenómenos en condiciones extremas, entre ellas la gravedad cero y una mayor exposición a la radiación.

Avances en la estación espacial ayudarán a exploración de la Luna y Marte
Estos son los aspectos más destacados de algunas de las investigaciones a bordo de la estación espacial que hacen que el espacio sea un poco menos difícil.
Recorre la estación espacial en español
Frank Rubio, astronauta de la NASA, ofrece por primera vez un tour en video completamente en español por la Estación Espacial Internacional, el hogar de la humanidad en el espacio.
Calendario de Ciencia de la NASA 2025
Descarga nuestro más reciente calendario y fondos de escritorio para tu computadora o dispositivo móvil, y descubre la fascinante ciencia que se esconde tras las imágenes destacadas de cada mes.
Opciones de descarga
Explora otras imágenes destacadas

Enero de 2025

Febrero de 2025

Marzo de 2025

Abril de 2025

Mayo de 2025

Junio de 2025

Julio de 2025

Agosto de 2025

Septiembre 2025

Octubre 2025




